Quando precisamos controlar alguma carga ou equipamento de forma que existam várias combinações e opções para ligá-lo, aplicaremos então a famosa lógica OU. Por exemplo, um relé que controla uma solenoide utilizada para mandar um atuador pneumático avançar ou recuar, pode ser acionado se o sensor de peça baixa da esteira for ativado “OU” se o sensor de peça metálica estiver acionado. Neste caso, qualquer uma das formas de ligar o relé é independente e irá ativar o relé deste circuito. Veja a tabela da verdade da lógica “OU” citada acima.
|
Sensor Peça Baixa |
Sensor de Peça Metálica |
Relé |
|
0 |
0 |
Desligado – 0 |
|
0 |
1 |
Ligado – 1 |
|
1 |
0 |
Ligado – 1 |
|
1 |
1 |
Ligado – 1 |
Quando convertemos a lógica “OU” em um comando através de chaves normalmente abertas, ou seja, NA, teremos então as opções em paralelo:
Portanto o estado do relé, representado pelo LED D2, ligaria se qualquer uma das chaves fossem acionadas, ou seja, o LED ligará se acionar o Sensor de Peça Baixa “OU” o Sensor de Peça Metálica. Veja as combinações nas imagens abaixo:
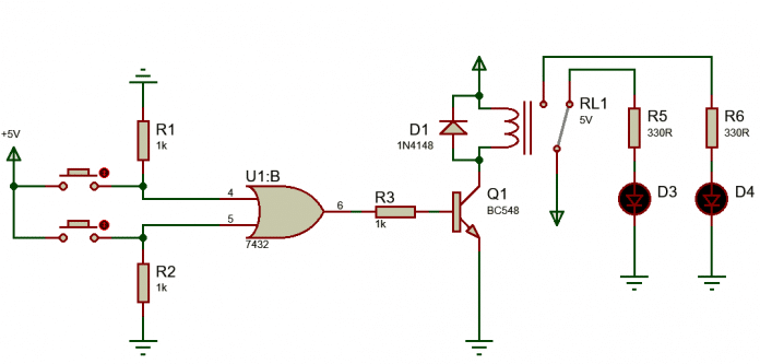
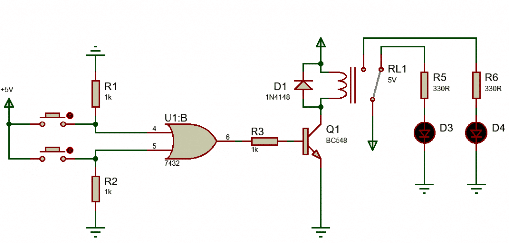
Além da lógica de contatos, podemos desenvolver a lógica “OU” de diversas outras maneiras, e como nosso foco é a Eletrônica Digital, mostraremos abaixo a aplicação da lógica “OU” utilizando com Portas Lógicas.
Vamos agora colocar em prática a tabela da verdade vista logo acima? É pra já! Quando as duas entradas estão em nível 0, ou seja, desativadas, a saída será 0, portanto o relé estará desativado.
Quando a peça é baixa, aciona o seu respectivo sensor e a saída da porta lógica OU é ativada, acionando a base do transistor que ativa a bobina do relé.
Da mesma maneira, se a peça for de material metálico, o sensor será acionado e a saída da porta lógica OU é ativada, acionando a base do transistor que ativa a bobina do relé.
Logo, se a peça for baixa e metálica, o relé continuará ligado pela porta lógica OU.
Aprenda mais sobre as Portas lógicas OU
Quer saber mais sobre a lógica OU e sua aplicabilidade em Eletrônica Digital? Não perca a vídeo aula abaixo feita pelo Canal Eletrônica Fácil através do Professor Rodolpho Chrispim de Oliveira:
Aproveite e se inscreva no canal Eletrônica Fácil e fique por dentro de todos os assuntos do mundo da eletroeletrônica.









