À medida que os motoristas começam a olhar para os carros elétricos no futuro, os engenheiros precisam considerar várias maneiras de reabastecer os sistemas de bateria. Considerando que leva apenas alguns minutos para reabastecer o atual motor de combustão interna, muitos sistemas EV estão procurando maneiras melhores e mais rápidas de voltar à estrada.
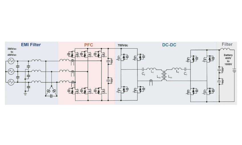
Atualmente, muitos sistemas EV usam o que é chamado de carregador de bordo para reabastecer a bateria. Este tipo de sistema é o preferido, uma vez que recebe energia CA prontamente disponível da rede e a converte em energia CC para a bateria. Considerações sobre seu tamanho, peso, eficiência energética e custo devem ser considerados ao projetar o carregador de bordo (OBC). Existem quatro estágios em um OBC:
- Estágio de entrada/filtro EMI,
- Estágio de correção do fator de potência,
- Estágio de conversão DC-DC
- Estágio de filtragem de saída.
Ao longo deste artigo, discutiremos os vários estágios e quais componentes estão em cada estágio.
A arquitetura mostrada acima corresponde a um OBC básico, alimentado por CA trifásica. Versões semelhantes dessa arquitetura seriam usadas em aplicações de fase única. O uso dessa arquitetura de 3 fases permite um período de carregamento rápido e maior eficiência.
Estágios em um carregador
Filtro EMI
O primeiro estágio do OBC é o filtro EMI. Durante esse estágio, a energia CA é filtrada para remover qualquer ruído indesejado da onda senoidal CA esperada. Esse ruído é causado por uma ampla variedade de coisas diferentes, incluindo motores elétricos, redes celulares, transformadores e outras variáveis que viajam pela rede. Para proteger os outros estágios do OBC, o filtro EMI limita os picos de tensão e corrente que podem ser prejudiciais. Mais comumente, esses filtros são compostos de capacitores de segurança X e Y, indutores de modo comum e capacitores de filtro harmônico CA. Muitos dispositivos domésticos contêm filtros EMI internamente semelhantes a este projeto (normalmente variações monofásicas) para proteger os componentes e o usuário. A figura abaixo mostra a forma de onda antes e depois do filtro EMI. Isso pode reduzir a quantidade de filtragem necessária em estágios posteriores.
Correção do fator de potência
O segundo estágio do OBC é o estágio de correção do fator de potência. Fator de potência é uma relação calculada comparando a entrada de energia do dispositivo com a saída de energia do dispositivo. Este é um valor importante em termos de eficiência, mas também pode causar problemas para a rede, componentes e usuário se não for feito corretamente.
Um fator de potência ruim pode ser causado por duas coisas, deslocamento ou distorção. Em cada caso, os valores de tensão e corrente devem ser ajustados para maximizar a potência operacional do circuito. Isso pode ser feito de forma ativa ou passiva.
O deslocamento ocorre quando as ondas senoidais de tensão e corrente do circuito estão fora de fase uma da outra. Outra maneira de olhar para isso seria olhar para a equação de potência P=IV. Se o valor da tensão de pico não estiver no valor da corrente de pico no tempo, o circuito não está atingindo a potência máxima que poderia. Os gráficos abaixo demonstram as diferenças na potência de pico quando a tensão e a corrente estão fora de fase.
A distorção, por outro lado, é descrita como mudanças na forma original das formas de onda. Isso é geralmente causado por circuitos não lineares, retificadores, etc.
Para corrigir essas duas perdas, um estágio de Correção do Fator de Potência deve ser implementado. Ambos os métodos ativos e passivos podem ser usados. No caso do circuito mostrado, as chaves convertem a forma de onda de entrada em uma forma de onda CC. Para suavizar os comportamentos de comutação do dispositivo, capacitores e indutores são usados em conjunto para amortecer o padrão de comutação abrupta. Abaixo é mostrado um exemplo de forma de onda produzida pelo desempenho de comutação do estágio PFC (forma de onda mostrada em vermelho). Para criar um sinal mais suave, componentes passivos são usados para criar a forma de onda preta. Após concluído, esse estágio cria uma tensão de ondulação que pode ser filtrada em um estágio posterior mais refinado.
Conversor DC-DC
No estágio de conversão DC-DC, a alimentação DC de entrada vem do estágio de correção do fator de potência e então é aumentada ou diminuída dependendo do sistema de bateria que será implementado. No caso da maioria dos EVs, esta tensão é escalonada na faixa de 400-1000 VDC. A tensão de elevação/redução ocorre no transformador no centro do circuito. Os dispositivos ativos ao redor trabalham em conjunto para realizar mais correções de fator de potência causadas pelo transformador.
Filtragem de saída
No quarto e último estágio do OBC, um filtro de saída é colocado no final dos estágios para filtrar finamente quaisquer harmônicos remanescentes. Isso ocorre com um circuito RLC simples em um contexto passivo. Em seguida, a energia recém-ajustada carrega a bateria do dispositivo, no nosso caso, uma bateria de um veículo elétrico. Componentes específicos são usados para lidar com as condições extremas de energia que ocorrem em um filtro de saída de veículo elétrico. Resistores de potência especiais, capacitores de alta tensão e indutores de alta potência são projetados para suportar não apenas as características elétricas, mas também as características físicas exigidas na operação do veículo. Resistência à vibração, requisitos de temperatura e umidade e restrições de espaço são apenas algumas das características que os engenheiros usam para selecionar componentes em um OBC.
Componentes para um carregador
Excepcionalmente, o YAGEO Group oferece todo o portfólio de componentes passivos necessários para projetar um carregador de bordo. Listados abaixo estão os produtos projetados especificamente para cada estágio do OBC. Para obter mais informações sobre os componentes de conversão de energia do Grupo YAGEO, visite: https://www.kemet.com/en/us/applications/power-conversion.html
| Série | Aplicação | Estágio do OBC |
| R53 | X Capacitores de Segurança | EMI |
| R41, R41B, R41T | Y Capacitores de Segurança | EMI |
| SCF-XV, SCR-XV, SCT-XV | KEMET Chokes | EMI |
| LS12 2TU | Chokes de Pulso | EMI |
| C44P-R, C4AF | Capacitores de Filtro Harmônico CA | EMI |
| PMT9085, PM2190, PM2185, PM2180, PM2155 | Transformadores de isolamento | PFC |
| CT Series | Sensores de corrente KEMET | PFC |
| ALC70, ALS70, ALC80, ALS80 | Capacitores Eletrolíticos DC-Link | PFC |
| C4AQ, C4AQ-M, C4AQ-P | Capacitores DC-Link de filme | PFC |
| R76, R76H | Capacitores de amortecimento de filme | PFC |
| KONNEKT KC-Link Automotive C0G | Capacitores Cerâmicos DC-Link | PFC |
| AC, PU, AT, RV, AT, AH | Resistores de Potência | PFC |
| R73, R75, R75H, R76, R76H | Capacitores de amortecimento de filme | DC-DC |
| KONNEKT KC-Link Automotive C0G | Capacitores de amortecimento de cerâmica | DC-DC |
| PMT9085, PM2190, PM2185, PM2180, PM2155 | Transformadores de isolamento | DC-DC |
| R73, R75, R75H, R76, R76H | Capacitores Ressonantes de Filme | DC-DC |
| SMD Auto C0G HV, SMD Auto C0G HV Flex | Capacitores ressonantes cerâmicos | DC-DC |
| ALC70, ALS70, ALF70, AAR70, ALC80, ALF80, ALS80 | Capacitor de filtro de saída eletrolítico | saída |
| C4AQ | Capacitores de filtro de saída de filme | saída |
| AC, PU, AT, RV, AT, AH | Resistores de Potência | saída |
Contato da Newark no Brasil
Para mais informações e adquirir componentes contate a LATeRe , representante da Newark, pelo Telefone (11) 4066-9400 ou e-mail: vendas@laterebr.com.br
* Texto originalmente publicado em: link





