Um MUX ou Multiplexador (Multiplexer em inglês), é um dispositivo eletrônico que é utilizado para selecionar um sinal de entrada, para que este esteja presente na saída. É importante notar que o sinal aplicado à entrada pode ser analógico ou digital. Normalmente um MUX pode ter até 2N entradas e necessita para a seleção do sinal de saída, que N sinais de seleção estejam presentes. Portanto, para dois sinais, é necessário um sinal de seleção, para quatro sinais, é necessário dois sinais para seleção, e assim por diante. Eles são dispositivos de hardware importantes e são facilmente implementados em linguagem HDL.
Circuito de um MUX de 2 bits de entrada
Veja na figura a seguir um circuito para duas entradas, A e B, selecionadas por um sinal S. Perceba que, se S igual a zero, X é igual a A. Para S igual a um, X é igual a B. O sinal S então funciona como um selecionador. Digitalmente é possível selecionar a entrada apropriada para o momento.
Circuito de um MUX de n bits de entrada
Representei na figura abaixo três MUX diferentes, para duas, quatro e oito entradas.
Circuito de um MUX com portas NAND
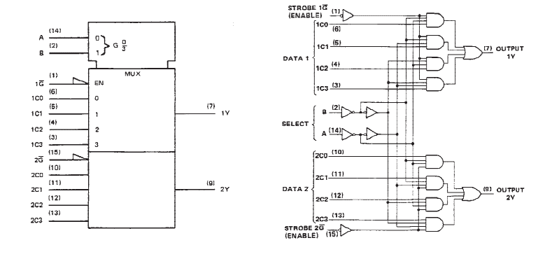
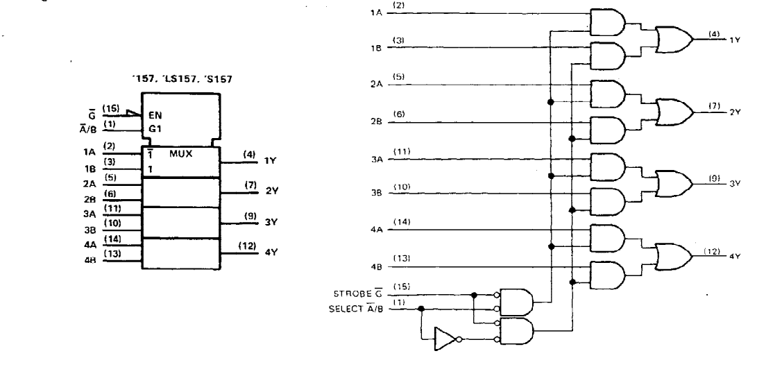
Circuitos Integrados com MUX
Alguns Circuitos Integrados da Texas Instruments que possuem Multiplexadores são:
- SN74157 é um Multiplexador com 2 entradas, com 4 circuitos iguais e a saída é a mesma que a entrada.
- SN74158 é um Multiplexador com 2 entradas, com 4 circuitos iguais e a saída é invertida com relação à entrada.
- SN74153 é um Multiplexador com 4 entradas, com 2 circuitos iguais e a saída é a mesma que a entrada.
Baixe o resumo dos multiplexadores apresentados aqui, para consulta posterior:











Muito bem explicado, parabéns meu velho!