No décimo quarto e último artigo da série, mostrarei as etapas do projeto da placa Green Pill, disponibilizada no nono artigo dessa série.
Como a Green Pill foi projetada?
A primeira etapa de um projeto é definir o escopo do projeto. Nesse projeto eu defini que criaria uma PCB, cujo esquemático é o projeto da placa Blue Pill, porém, faria com uma máscara verde, com as dimensões de um Arduino UNO e chamaria de Green Pill. Como não havia limitação de espaço na PCB, então, poucos componentes seriam SMD. Também defini que a PCB e os componentes seriam importados da China, para viabilizar a montagem do protótipo.
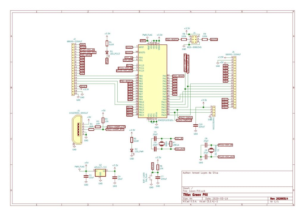
A segunda etapa foi criar o esquemático. O software utilizado foi o KiCad. Nessa etapa é importante ter definido o fornecedor dos componentes porque durante a criação do esquemático você já pode ir selecionando os componentes e já fazendo um link entre o componente e seu footprint, sendo assim, posteriormente facilitará a criação da PCB.
A terceira etapa foi criar a PCB, com base no esquemático da etapa anterior. Essa etapa é trabalhosa, porque você tem que posicionar todos os componentes dentro dos limites da placa, e criar todas as trilhas, testar a integridade e outras regras. O software KiCad oferece um recurso que você pode ir simulando numa visão 3D, sendo assim, diminui a margem de erro porque você tem essa visão espacial (virtual), da evolução do trabalho.
A quarta etapa, após a conclusão da PCB, ainda utilizando o KiCad, geramos os arquivos Gerber do projeto. Nos fabricantes chineses é possível fazer uma cotação imediata e alguns até testam os arquivos gerbers. Rapidamente você receberá a cotação. Depois é somente alinhar os detalhes e fechar o pedido.
Mais detalhes sobre o projeto no artigo Placa Green Pill.
A quinta etapa, é adquirir os componentes. Conforme destaquei na segunda etapa, é produtivo que durante a etapa do esquemático já ir definindo os componentes e seus footprints, então, nesta etapa basta apenas uma revisão geral das quantidades, e fechar o pedido.
Também quero destacar que prazo de entrega não era minha prioridade, ainda mais, que tudo aconteceu durante a pandemia, portanto, sabia que seria pior do que normalmente é. Um prazo razoável seria trinta e cinco dias. Bem, tudo projetado e pedidos colocados, então, era aguardar as entregas para seguir com o projeto.
Resultado final da PCB e placa Green Pill montada
Após setenta dias chegaram as placas e logo em seguida os componentes. A qualidade da PCB estava em ordem.

A sexta etapa foi montar os componentes na PCB, então, com base no esquemático montei a PCB. O primeiro componente que soldei foi o MCU, depois os demais componentes SMD, que são poucos.
A sétima etapa foi criar uma simples aplicação com o STM32CubeIDE, que é o famoso LED PC13 Blinking, então, após fazer o Build desse projeto, usando o ST-Link 2 o arquivo foi escrito para a Green Pill, e a aplicação funcionou corretamente, portanto, o LED PC13 piscou conforme a lógica de funcionamento. Até fiz modificações nos tempos para ver se realmente a aplicação correspondia, e realmente estava tudo certo.
Conclusão da série
Estou concluindo esta série e tenho em mente uma nova série, que ainda estou definindo o escopo.
Como destacado desde o primeiro artigo, essa série foi baseada no livro “Beginning STM32 – Developing with FreeRTOS, Libopencm3 and GCC- by Warren Gay”. Não revisamos o livro por completo, então, apenas foi deixado um caminho para quem tem interesse e deseja fazer outros experimentos com os mais variados periféricos do MCU STM32F103C8T6, contido na Blue Pill.
Espero que os artigos da série tenham estimulado o aprendizado. Escrevo os artigos no site Embarcados com a boa intenção de ajudar quem se interessa pelo assunto. Também sou um estudante, e conforme vou aprendendo, eu compartilho.
Agradeço a todos que me acompanharam e deram seus feedbacks. Até mais!










Excelente série! Aguardo ansiosamente pela nova série.