Caros leitores, continuaremos nossa pequena saga através dos amplificadores operacionais. Recapitulando, no primeiro artigo desta série abordamos os principais conceitos e características relacionados aos AmpOp’s ideais, as principais diferenças entre os modelos idealizados e os modelos reais, além de analisarmos sua aplicação como comparador, amplificador inversor, não inversor e seguidor de tensão (buffer). No segundo artigo analisamos sua aplicação como somador e subtrator (amplificador diferencial).
Nesta terceira etapa mixaremos os conceitos abordados, com foco especial sobre o amplificador diferencial, para entendermos um pouco sobre os amplificadores de instrumentação, comumente relacionados na literatura através dos acrônimos INA ou IN.
O amplificador de instrumentação é provavelmente um dos modelos mais especiais dos AmpOp’s, na verdade este componente é desenvolvido através de um arranjo com outros amplificadores operacionais, tradicionalmente envolvendo características bastante distintas quando comparado a um AmpOp de uso comum, como o clássico 741.
É importante alertarmos que nem todo amplificador presente em um instrumento de medição necessariamente é um amplificador de instrumentação. Isto dependerá muito das necessidades do projeto, em especial com as características do sinal que será amplificado e posteriormente processado.
Voltando ao Amplificador Diferencial
Podemos relacionar um AmpOp tradicional a um bloco de ganho de uso geral, no qual através de componentes externos e da realimentação, em especial da realimentação negativa, pode-se alcançar o comportamento desejado.
Os amplificadores IN/INA por sua vez possuem aplicações um pouco mais restritas, entretanto, possuem a capacidade de desempenhar sua função com resultados superiores se comparado a um AmpOp tradicional. De uma maneira simples, um AmpOp tradicional é extremamente flexível, podendo se adequar a maioria das necessidades através da realimentação. Um IN/INA por sua vez atuará somente como amplificador em uma faixa específica e bem delimitada de ganho.
Como vimos no artigo anterior, a configuração de amplificador diferencial pode ser obtida através de um AmpOp e quatro resistores externos, conforme a Figura 1.
Fonte: Próprio autor, arquivo pessoal
Uma das principais características desta configuração tem relação com a alta rejeição a sinais de modo comum, ou, common mode rejection (CMR). Entretanto, devido à utilização de componentes discretos externos esta rejeição a sinais de modo comum pode não funcionar tão bem quanto esperado.
Na condição mais ideal de operação, temos que “R1 = R3″ e “R2 = R4”, nos levando a seguinte equação:
![]() |
(01) |
A CMR alcançada pela configuração é dependente da precisão dos componentes externos, em especial os resistores. A relação “R1/R2” e “R3/R4” deve ser idealmente igual, o que resultaria em um CMR infinito, entretanto vivemos em um mundo repleto de limitações a serem transpostas. A equação a seguir apresenta o cálculo do CMR, onde a variável “Kr” representa a diferença percentual entre as duas relações citadas anteriormente em sua forma fracionária:
|
(02) |
Considerando “R4 = R3”, obteremos os seguintes CMR de acordo com a diferença percentual de Kr:
|
Kr (%) |
CMR (dB) |
CMRR (V/V) |
|
0,1 |
66,02 |
1/1999,86 |
|
0,2 |
60,00 |
1/1000,00 |
|
0,5 |
52,04 |
1/399,94 |
|
1,0 |
46,02 |
1/199,98 |
|
2,0 |
40,00 |
1/100,00 |
Notamos que quanto maior o ganho melhor será o CMR, além do impacto da tolerância dos resistores. Em uma abordagem realista, mesmo utilizando resistores com tolerância de 1% e ainda selecionando os melhores disponíveis em uma cartela, dificilmente alcançaremos 66dB de CMR.
Neste ponto você pode estar se perguntando, “Ok, mas o que significam estes dB’s?”. Os dB’s indicam o quão atenuado será o sinal de modo comum. Por exemplo, para um sinal de modo comum de 2,5V aplicado a um amplificador diferencial com CMR de 66,02dB, este sinal será atenuado aproximadamente 2000 vezes, ou seja, poderíamos representar este mesmo sinal como uma fonte de 1,25mV aplicado diretamente a entrada diferencial.
A Figura 2 a seguir apresenta uma simulação com Kr de 0,1% e 2%.
Fonte: Próprio autor, arquivo pessoal
Em uma análise mais profunda, além da tolerância dos resistores influenciarem o CMR a própria impedância série da fonte de sinal pode afetar este parâmetro caso não estiver balanceada entre as duas entradas.
Para nossa felicidade o problema causado pela tolerância entre os resistores pode ser minimizado através da utilização de um amplificador diferencial de precisão, ou precision difference amplifier. Um componente que além do amplificador diferencial já inclui internamente os quatro resistores, sendo estes trimados a laser para garantir a melhor precisão. Como exemplo podemos citar o SSM2141 da Analog Devices (AD) ou o INA133 da Texas Instruments (TI), ambos com CMR típico acima de 80dB. Mesmo com um amplificador de precisão a impedância das fontes de sinal pode afetar o resultado final do CMR.
Não estranhe caso encontrar CMRR expresso em dB ou CMR em V/V, existem divergências entre os diversos fabricantes, mas o importante é que ambos em sua essência apresentam a mesma relação.
O Amplificador de Instrumentação
Como vimos anteriormente, mesmo um amplificador de precisão pode ter seu CMR degradado pela impedância série da fonte de sinal. Os amplificadores de instrumentação surgem como grandes aliados conseguindo agregar características como elevado CMR, elevada impedância nas entradas, baixo offset e baixa corrente de bias. Em resumo, podemos dizer que agrega a maior quantidade possível das características mais desejadas pelos projetistas.
A Figura 3 a seguir apresenta um IN/INA com suas conexões. No exemplo notamos uma ponte de wheatstone conectada ao amplificador de instrumentação através de suas duas entradas, inversora e não inversora. Junto aos terminais de alimentação encontramos os tradicionais e necessários capacitores de desacoplamento. A grande diferença a ser notada é que não existe um arranjo de resistores externo controlando o ganho, mas sim apenas um único resistor (RG), podendo em muitos casos ter seu ganho controlado a partir sinais lógicos ou mesmo diferentes níveis de tensão.
Fonte: Analog Devices [2]
O elevado CMR agregado ao ganho elevado é extremamente importante em aplicações que necessitam lidar com sinais de baixíssima amplitude e que estejam sobrepostos a um nível DC comum, ou mesmo quando provenientes de ambientes ruidosos. Dentre as principais aplicações podemos citar os dispositivos de aquisição de dados (DAQs), instrumentação médica, controle e medição eletrônica, áudio, vídeo, entre outros.
Modelos como o AD8221 da AD ou o INA333 da TI possuem CMR típico (para o nível DC com G ≥ 10) de 100dB, ou seja, o sinal de modo comum é atenuado pelo menos 100.000 vezes.
Agora que sabemos os fundamentos dos amplificadores IN/INA, suas principais características e aplicações, abordaremos de maneira bastante simples as anatomias mais clássicas. Esta abordagem tem caráter didático visando entender o circuito interno, entretanto devemos lembrar que em uma aplicação prática será muito difícil alcançar as mesmas características de um componente padrão.
IN/INA com dois AmpOp’s
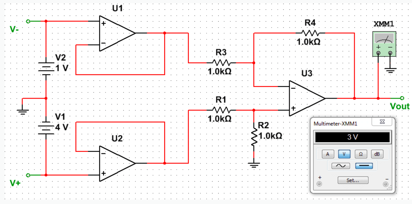
Este pode ser considerado como o arranjo mais econômico para ser implementado com componentes discretos já que necessita de apenas dois amplificadores operacionais. O circuito básico de exemplo é apresentado na Figura 4.
Fonte: Próprio autor, arquivo pessoal
Analisando a figura podemos notar que ambas as fontes de sinal são aplicadas às entradas não inversoras dos AmpOp’s, desta maneira garantimos uma elevada impedância de entrada. Para análise dessas configurações novamente utilizaremos o teorema de superposição.
Considerando o exemplo anterior, ao zerar “V1” sabemos que a tensão na saída de “U1” será 0V em um dispositivo ideal, ou muito próximo disso em um dispositivo real. O cálculo da tensão de saída em “U2” será baseado na fórmula utilizada para o AmpOp não inversor.
![]() |
(03) |
Como resultado obteremos “4,5V” na saída para “V2”.
O próximo passo é zerar “V2” e analisamos a saída para “V1”. Para o AmpOp “U1” temos novamente uma configuração não inversora. A saída desta etapa é aplicada em “U2” através de uma polarização inversora. Cascateando as etapas obteremos a seguinte equação:
![]() |
(04) |
Para esta segunda equação obteremos “-3V” na saída. Agora completando a superposição, somamos os resultados independentes, alcançando o mesmo resultado de “1,5V” apresentado na Figura 4.
Considerando que “R1 = R4” e “R2 = R3”:
|
(05) | |
![]() |
(06) |
Esta configuração possui alguns contras tornando-se menos utilizada. É notável que o caminho de “V1” será mais longo que “V2”, gerando certa latência entre os sinais, o que interfere diretamente sobre o CMR de sinais alternados de alta frequência.
IN/INA com três AmpOp’s
No início do artigo voltamos ao amplificador diferencial. Podemos enxerga-lo como o modelo mais simples de um amplificador de instrumentação, entretanto, tínhamos três pontos críticos:
- A impedância da fonte de sinal influencia no CMR;
- A impedância das entradas é dependente dos resistores;
- A impedância das entradas vista pelas fontes não é simétrica.
Felizmente estes três pontos podem ser facilmente melhorados com a utilização de dois AmpOp’s adicionais na configuração de buffer. Com isso isolamos a fonte do sinal da entrada do amplificador diferencial, garantindo alta impedância de entrada. A baixa impedância de saída do buffer afetará pouco o CMR, tornando-o primordialmente dependente da precisão dos resistores do AmpOp diferencial. Este circuito é apresentado Figura 5:
Fonte: Próprio autor, arquivo pessoal
A fórmula para o cálculo de ganho desta configuração será a mesma que estudamos no amplificador diferencial. E ok, conseguirmos incrementar o CMR e a impedância de entrada, entretanto ainda é possível acrescentar mais funcionalidades a este circuito através de alguns resistores.
As boas práticas de projeto nos dizem para evitar ganhos acima de 100x em um único estágio para que o circuito não perca estabilidade ou mesmo bandwidth. Neste ponto nossa última configuração poderia ser insuficiente para trabalhar com sinais realmente pequenos como um biopotencial de ECG.
Ao invés de inserirmos mais uma etapa de ganho na saída, incrementando a complexidade do circuito, da PCB e o BOM (build of materials) do projeto, incrementaremos apenas três resistores adicionais, transformando os buffers da entrada em amplificadores não inversores com um ganho diferente do unitário. Esta característica permitirá alcançar elevados ganhos para o IN/INA. O circuito padrão é apresentado na Figura 6 a seguir.
Fonte: Próprio autor, arquivo pessoal
Para analisar este circuito devemos nos lembrar das regras de ouro mencionadas no primeiro artigo: 1) Existe um curto circuito virtual entre as entradas do AmpOp; e 2) não existe fluxo de corrente nas entradas.
Para o exemplo da Figura 6: sabemos que “4V” é aplicado à entrada não inversora de “U2” e “1V” é aplicado à entrada não inversora de “U1”. Com base na regra de ouro sabemos que as mesmas tensões respectivamente são aplicadas às entradas inversoras de cada AmpOp da primeira etapa, ou etapa de pré-amplificação. A partir deste conceito podemos calcular a corrente circulante através de RG.
|
(07) |
Através da fórmula obtemos iRG igual a “3mA“. Novamente recorrendo à regra de ouro, como não existe fluxo de corrente nas entradas sabemos que a corrente iRG também atravessa os resistores R5 e R6, tornando possível calcular as quedas de tensão nestes componentes para então obter a tensão nos pontos “A” e “B” do circuito. A tensão nestes pontos é aplicada então na etapa diferencial formada por “U3“.
Tradicionalmente “R5 = R6”, tornando possível calcular a tensão na saída diretamente através da seguinte equação:
![]() |
(08) |
Nos exemplos apresentados quase sempre utilizamos sinais DC para facilitar o cálculo dos resultados e facilitar sua visualização na saída. Entretanto estas aplicações são amplamente utilizadas em sinais AC dos mais diversos tipos.
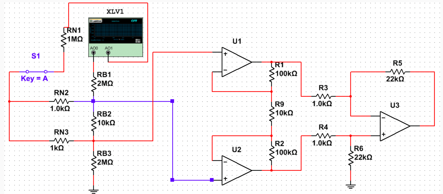
Para exemplificar uma aplicação do último arranjo apresentado simulou-se o seguinte circuito. Um gerador arbitrário é utilizado para gerar a forma de onda padrão de um ECG e também um ruído branco. A forma de onda do ECG é aplicada sobre um divisor resistivo simulando a impedância do corpo e dois resistores adicionais injetam o ruído branco em modo comum. Um amplificador IN/INA com ganho de 462 foi implementado, sendo 21x no estágio de pré-amplificação e 22x no estágio diferencial. O circuito simulado é apresentando abaixo:
Fonte: Próprio autor, arquivo pessoal
A forma de onda pura aplicada na entrada no amplificador IN/INA possui aproximadamente 4,124mVpp. A saída do amplificador possui aproximadamente 1,909Vpp, condizendo com o ganho calculado. Nas formas de onda resultantes fica evidente a atuação do amplificador de instrumentação sobre sinais de modo comum. Neste caso, o ruído branco simulando uma interferência eletromagnética (EMI). Confira o resultado na Figura 87 em vermelho o sinal original com o ruído, em amarelo a saída do amplificador (sinais em escalas diferentes).
Fonte: Próprio autor, arquivo pessoal
Caros leitores, estamos chegando ao fim de mais um artigo. Nesta terceira parte aglutinamos os conceitos apresentados anteriormente para possibilitar o entendimento de um amplificador de instrumentação, suas principais características e topologias mais comuns.
No próximo e último artigo desta pequena saga abordaremos as configurações anteriormente apresentadas dentro da realidade dos nossos embarcados, onde tradicionalmente contamos apenas com fontes de alimentação simples e em muitos casos com limitações com relação ao nível de tensão já que muitos dispositivos podem ser alimentados através de baterias.
Obrigado e até a próxima!
Referências
[1] W. Jung. (2005). Op Amp Applications Handbook. Available: https://www.analog.com/library/analogDialogue/archives/39-05/op_amp_applications_handbook.html [2] C. Kitchin and L. Counts. (2006). A Designer’s Guide to Instrumentation Amplifiers (3rd Edition). Available: https://www.analog.com/en/education/education-library/dh-designers-guide-to-instrumentation-amps.html
















Oi! É um belo artigo, mas não dá para ver as imagens do artigo.
Preciso de ver a fórmula da imagem (03), por favor.
Ta faltando umas imagens no artigo.
Muito bom! Ajudou de mais! Obrigado.
Só uma correção: a equação (6) do tópico “IN/INA com dois AmpOp’s” tem um erro. O certo seria “Vout = (V2-V1) * (1+ (R4/R3))
Gostaria de saber como foi feita a simulação do sinal ECG pelo multisim, e a configuração utilizada para se obter a forma de onda.
Ei Haroldo, tem como indicar uns bons sites pra comprar esses amplificadores de instrumentação e outros itens de eletrônica?
Olá!Haroldo. Gostaria de pedir uma ajuda! Preciso de amplificador operacional, que amplifique o sinais baixos e teja um ganho grande com eficiência ruido. Este amplificador seria ligado ao arduino.Poderia me ajudar.
Olá Josias.
Basicamente você precisa de um INA, como citado neste artigo. O ideal é que você já utilize um modelo pronto para tirar vantagem de todas as suas qualidade, mas caso não for possível pode montar o seu próprio INA com 2 ou 4 AmpOp’s.
Parabens pela sequencia! FICA pra historia aqui!!!
Haroldo, na sessao O Amplificador Operacional voce complementou o que ha muito tempo faltava sobre ponte de wheatstone aqui no site: o exemplo 🙂
Exatamente o circuito que apresentou na figura 3 que é o utilizado com extensometros e com sensores de temperature em ponte né?
Exato Thiago, creio que este seja o exemplo mais clássico de utilização da Ponte de Wheatstone com algum transdutor.
Olá Haroldo.
Eu estou precisando de uma ajuda !
Eu quero controlar a queda de um imã através de um tubo. Para fazer isto precisarei instalar várias bobinas ao redor do tubo. Com um sensor de distância acionarei casa bobina localizada na imediatamente a frente do imã!
Como controlar vários segmentos de bobinas acionando uma corrente continua?
Acho que uma vez alguém me passou um nome de um amp op (LM???), que poderia ser ligado em cascata para de ter mais saídas e servir como um pequeno amplificador…
Aceito outras sugestões…