Existe um mundo de motores além dos conhecidos motores baseados em energia eletromagnética, com os quais a maioria dos engenheiros está familiarizada. Um exemplo notável é o motor e atuador piezoelétrico, que utiliza princípios completamente diferentes de física e ciência dos materiais para fornecer movimentos lineares precisos, rápidos e controláveis em distâncias que variam de nanômetros a milímetros.
As aplicações para motores piezoelétricos abrangem uma lista surpreendentemente longa, incluindo bombas de infusão médica, transdutores de diagnóstico por ultrassom, estágios de posicionamento de microscópios, conjuntos de braços de unidades de disco, impressoras a jato de tinta, sistemas de microposicionamento de espelhos/lentes. Esse tipo de motor é uma unidade de “acionamento direto”, sem necessidade de engrenagens ou ligações mecânicas. Assim como a maioria dos outros motores, o uso eficaz do motor piezoelétrico envolve, essencialmente, um processo em duas partes: o próprio motor e seu circuito de acionamento.
Neste texto examinaremos como o motor e o atuador baseados em piezoeletricidade, amplamente utilizados, diferentemente dos motores eletromagnéticos, fornecem movimentos lineares precisos e repetíveis em curtas distâncias.
Aplicando o Efeito Piezoelétrico
Os desenvolvedores podem aplicar o princípio piezoelétrico para criar um motor utilizando duas abordagens. Em uma delas, uma extremidade do elemento cristalino piezoelétrico é permanentemente “fixada” ou mantida em posição (Figura 1).
À medida que uma tensão é aplicada e removida, o cristal se alonga e depois retorna às suas dimensões originais. Dessa forma, o atuador se movimenta para frente e para trás a partir de um ponto de referência zero conhecido. O movimento é semelhante ao de um pistão rigidamente controlado, já que a quantidade de alongamento é estreitamente proporcional à tensão aplicada.
Na outra abordagem, frequentemente chamada de modo “inchworm”, o material piezoelétrico é alternadamente segurado e liberado por um conjunto de pequenos grampos baseados em piezoeletricidade, permitindo que o cristal “avance aos poucos” (Figura 2).

O movimento de um motor do tipo pistão é bem pequeno, o que é ideal para aplicações típicas de motores piezoelétricos. O material cristalino se alonga muito ligeiramente, na ordem de 0,01 a 0,1%. Utilizando cristais maiores ou empilhando vários deles, é possível alcançar movimentos na ordem de dezenas de milímetros e até centímetros, com forças chegando à faixa de dezenas de newtons.
Apesar das dimensões e movimentos diminutos, esses atuadores piezoelétricos podem desenvolver uma força significativa — na ordem de newtons. Isso é um pouco análogo à água líquida se transformando em gelo sólido: o volume da massa de água se expande cerca de 4%, mas a força desenvolvida nesse processo pode quebrar canos!
Os atuadores piezoelétricos estão disponíveis como dispositivos padrão de diversos fornecedores, com tamanhos que variam de pequenos a unidades muito grandes e multilaminadas, além de unidades personalizadas frequentemente acessíveis a custos modestos.
De fato, devido ao seu pequeno tamanho, baixa massa e à física inerente ao seu funcionamento, os motores piezoelétricos podem operar a altas taxas, com movimentos que atingem a faixa de multi-quilohertz — uma taxa que é difícil ou quase impossível de alcançar com motores eletromagnéticos convencionais — enquanto seus movimentos permanecem precisos, repetíveis e controláveis. Como vantagem adicional, eles são “limpos”, sem rolamentos e sem necessidade de lubrificação (evitando potenciais contaminações). Além disso, sua natureza não metálica não só é vantajosa em muitas aplicações, como também pode ser essencial em determinadas situações.
Driver diferente, necessidades diferentes
O transdutor do motor é apenas metade do que é necessário para o sistema de um motor piezoelétrico, pois a eletrônica que o aciona também é fundamental. Especificamente, um motor piezoelétrico requer um acionamento por tensão que varia de 30V a centenas e até milhares de volts, dependendo do tamanho do cristal, do alongamento desejado e de outros fatores.
A necessidade de acionamento por tensão difere dos motores eletromagnéticos convencionais, que são acionados pela corrente que flui através de suas bobinas. No caso do cristal piezoelétrico, é a tensão aplicada que determina e conduz sua ação.
É claro que uma corrente acompanha a tensão sempre que um trabalho real é realizado (no sentido físico, como ocorre aqui), mas a tensão é o parâmetro de controle. A corrente associada pode variar de alguns miliamperes a vários amperes.
Em contraste com a carga indutiva de um motor eletromagnético e suas bobinas, o elemento motor piezoelétrico se comporta como uma carga capacitiva, que pode chegar a 1000 nanofarads (nF). Portanto, o driver de tensão deve ser projetado para suportar cargas capacitivas sem problemas de oscilação ou estabilidade.
O próprio driver de alta tensão precisa de uma trilha DC de alta tensão como sua fonte de alimentação. Fornecer essa alimentação de alta tensão pode ser um desafio em alguns circuitos, já que a maioria dos conversores básicos AC/DC ou DC/DC produz trilhas de tensão muito mais baixos, geralmente até algumas dezenas de volts. Assim, o problema de acionamento tem duas partes: fornecer uma fonte DC de tensão suficientemente alta e, em seguida, desenvolver um amplificador de alta tensão que opere a partir dessa fonte para acionar o elemento piezoelétrico.
Além disso, vale notar que o elemento piezoelétrico é “flutuante” (não referenciado ao terra do sistema), então o driver deve ter uma saída diferencial sem referência ao terra do sistema. Isso complica o design e a topologia do driver, mas é um problema solucionável.
Também existem potenciais questões de segurança. Dependendo da aplicação, região e padrões regulatórios, quando a tensão de acionamento ultrapassa cerca de 50–60 volts, surgem preocupações relacionadas à segurança do usuário, isolamento físico e proteção contra essas tensões. Além disso, os projetistas devem seguir normas que definem as dimensões mínimas de creepage (distância de escoamento) e clearance (distância de isolamento), que são funções do nível de tensão.
Em tensões mais baixas, na faixa de dezenas de volts, amplificadores operacionais padrão podem ser adequados para circuitos de acionamento piezoelétrico, desde que seus processos suportem essas tensões mais altas. Fornecer o sinal de acionamento nessas tensões frequentemente requer dispositivos e tecnologias de processo que diferem das utilizadas para regimes de baixa tensão.
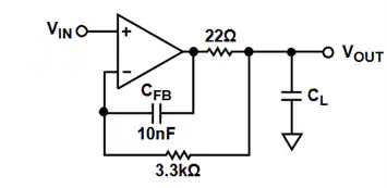
Outra opção é utilizar um amplificador operacional padrão de baixa tensão com transistores de aumento de tensão (geralmente bipolares, às vezes FETs) em sua saída. Por exemplo, o Analog Devices ADA4700-1 é um amplificador de precisão de alta tensão que opera até ±50V. Com uma rede de “snubber” adequada, este dispositivo em encapsulamento SOIC de 8 pinos é otimizado para fornecer uma saída de alta taxa de variação (slew rate) em cargas capacitivas de até 100nF, mantendo-se estável (Figura 3).

Para atender às necessidades de acionamento de elementos piezoelétricos com tensões mais altas, amplificadores operacionais especializados em formas monolíticas e híbridas estão disponíveis para fornecer a tensão e a corrente necessárias para cargas altamente capacitivas. Fornecedores como Analog Devices, Texas Instruments e Microchip Technology oferecem esses componentes especializados. Para níveis de tensão mais elevados e manejo de cargas capacitivas, fornecedores como a Apex Microtechnology oferecem drivers otimizados e específicos para aplicações.
Projetar, construir e certificar esses amplificadores de alta tensão não é uma tarefa simples, sendo frequentemente uma decisão de “comprar” em vez de “fazer”. Para projetistas que preferem ou precisam desenvolver seus próprios circuitos de acionamento, fornecedores de CIs e módulos oferecem projetos de referência completos para auxiliar no processo.
Conclusão
O motor e atuador baseado em piezoeletricidade, embora não seja uma solução óbvia, é uma resposta inovadora para uma classe de problemas de movimento que, de outra forma, seriam difíceis de resolver. Ele proporciona movimento em alta velocidade, com precisão e exatidão, dentro de uma faixa limitada e com força significativa. Diferentemente dos motores eletromagnéticos mais conhecidos, acionados por corrente, os motores piezoelétricos são dispositivos acionados por tensão, com necessidades específicas de drivers para fornecer tensões mais altas em cargas capacitivas.
Artigo publicado por Mouser Electronics no blog da Mouser Electronics: Unique Piezoelectric Motor and Driver Solutions
Traduzido pela Equipe Embarcados.








