Continuando a sequência de tutoriais para criação de um projeto no Kicad, neste artigo iremos conhecer os detalhes para a criação da PCB.
Toda a etapa de criação do esquemático, assim como os compontes e a carreta associação dos footprints, foram apresentadas no artigo anterior. Sendo assim, para um bom aproveitamento desse tutorial é necessário a leitura do artigo anterior.
Criando uma PCB no Kicad

Agora podemos passar para o passo final, que é a criação da placa. No Eeschema utilizando o ícone ou menu “Tools → Layout printed circuit board” é possível acessar o Pcbnew.

Na tela principal do PcbNew, utilizando o ícone “Read netlist” , podemos abrir a janela de carregamento do arquivo de netlist.
O netlist pode ser lido utilizando o botão “Ler Netlist atual”, depois disso a janela pode ser fechada.

Agora na tela principal do Pcbnew estão todos os footprints dos componentes, mas todos sobrepostos. Marcando o ícone “Mode: footprint” e em seguida clicando com o botão direito na tela pode-se separar os componentes utilizando a opção “Global Spread and Place → Spread out All Footprints”:
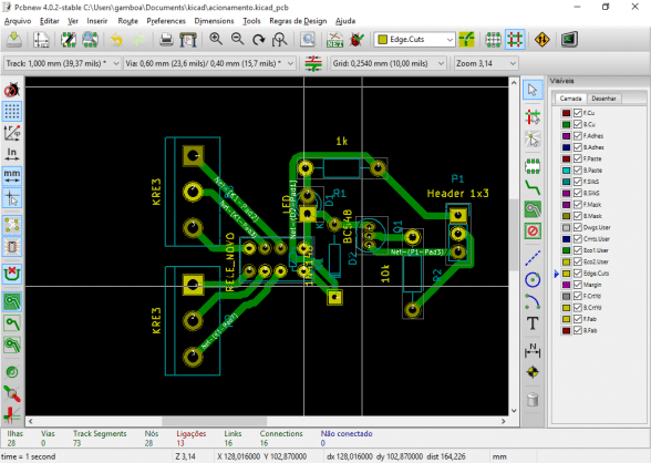
Agora todos os footprints dos componentes estão separados como a figura abaixo:
Desenhando uma borda na placa para limitar o posicionamento pode ser utilizado o “autoplace” para posicionar automaticamente os componentes. Como o circuito é simples, a alocação dos componentes será feita manualmente, colocando o cursor sobre os footprints e usando as teclas “m” para mover e “r” para rotacionar. Reposicione os footprints até que todas as linhas brancas que indicam as conexões estejam desembaraçadas, como na figura abaixo:
Para alterar as propriedades do projeto, acesse o menu “Regras de Design → Regras de Design”:
Para facilitar a construção de placas manuais, utilize uma largura de trilha de no mínimo 1mm e clique no botão ok.


As trilhas podem ser desenhadas manualmente clicando no ícone “Add tracks and vias” e escolhendo a camada no combo box de camadas .

Para o auto roteamento, devemos escolher a opção “mode: tracks”, clicando no ícone .
Agora clicando com o botão direito é possível escolher a opção no menu “Auto-rotear → Selecionar Par de Camadas”:
Na janela aberta, marque as duas camadas para o mesmo lado da placa para fazer uma placa de uma camada, como na figura abaixo.
Aparecerá uma mensagem de aviso, mas não se preocupe, apesar de indicar um problema, o roteamento ira funcionar, só clicar ok.
Agora utilizando a opção do menu “Auto-rotear → Automatically Route All Footprints” é possível rotear a placa:
Resultando na placa roteada:

Clique no ícone “DRC” para utilizar a ferramenta de verificação de erro, e clique “iniciar DRC”:

Como nenhum erro foi encontrado, a placa só precisa da definição da borda para ficar pronta. Escolha a camada “Edge.Cuts” no combo box de camadas e a ferramenta de desenhar linhas gráficas clicando no ícone “Add grapich line” e desenhe uma borda como é mostrado na figura abaixo:
Utilize o menu “ver → 3D Viewer” para abrir o visualizador da placa tridimensional:
No visualizador 3D clique e arraste o mouse para girar a placa em visão tridimensional:

Para a criação dos arquivos gerber para confecção da placa, basta clicar no ícone “plot”:

Em seguida escolher o formato “Gerber”, marcar as camadas desejadas e clicar no botão plotar e em seguida no botão “Generate Drill File”. Os arquivos gerado podem ser testados na ferramenta gerberview do Kicad utilizando o ícone:
Para utilização de métodos térmicos, o desenho da placa pode ser obtido da mesma maneira, apenas utilizando a opção “PDF” ao invés de “Gerber”. Desmarque a opção “Exclude PCB edge layer from others layer” para a margem aparecer em todos os pdfs e facilitar o posicionamento.
Com isso concluímos o nosso tutorial, onde o objetivo foi mostrar como utilizar a ferramenta Kicad para criar uma PCB. Claro que o Kicad possui muito mais recursos e opções do que foi descrito, mas esse tutorial descreve o básico para poder começar a utilizar o Kicad.




























professor, como eu consigo os arquivos gerber desse projeto? não achei disponibilizado aqui
otima explicacao professor. so tenho uma duvida, eu precisaria fazer algumas placas e iria utilizar o modo termico. como que faco para ter a impressao das trilhas para fazer o processo termico ? eh utilizando o arquivo gerber ou qual outro ?
desde ja obrigado
Depois de gerar o PDF como descrito no final do artigo, é só imprimir em um papel glossy (fotográfico) em uma impressora a laser. De uma olhada neste link https://athoselectronics.com/placa-de-circuito-impresso-termica/.
boa tarde
Boa tarde! Eu precisava do arquivo 3D para abrir em outro software e mostrar o projeto completo (com a pcb inserida) o problema é que no arquivo que baixo só vem a placa. Tem alguma forma de baixar esse arquivo 3D já com os componentes?
Esses arquivos são para versão antiga do Kicad (4.0.2) e vão abrir sem o mapeamento dos componentes 3D em versões mais novas do Kicad. Se você só precisa de uma PCB 3d existem diversos projetos no site https://www.kicad.org/made-with-kicad/ . O Kicad exporta como VRML, também é possível usar o https://www.kicad.org/external-tools/stepup/ e converter a placa para outros formatos e abrir no blender por exemplo.
Boa noite Professor.
Estou com um problema. Utilizo a versão do KICAD 5.1.0 e não consigo fazer o autoroteamento. Aliás nem o ícone de autoroteamento estou achando nesta versão. Como posso resolver isso nessa versão. Pelo que vi na sua explicação a versão utilizada é a 4.0.2, porém não acho essa versão para download. O senhor pode me ajudar?
Grato
Desculpe a demora na resposta, mas não recebi aviso por email. No Kicad 5.1.0 o autorouter foi descontinuado. A opção é utilizar uma autorouter externo como o freerouting https://freerouting.org/freerouting/using-with-kicad .
Parabéns. Ótimo artigo. Você deve ter percebido que no artigo anterior fiz uma confusâo com o Eagle mas estava tentando aprender o KiCAD mesmo. Eu sou leigo mas consegui concluir o tutorial. Obrigado
Obrigado pela série de artigos sobre o KiCad, Luis! Realmente para quem está pensando em migrar do “Eagle” para o “KiCad”, ao menos ver uma “PCI pronta” como sua receita de bolo aqui, com certeza já dá uma motivação “a mais”! 🙂 Obs: Não me apareceram na visão 3D nenhum dos conectores KRE3, nem o outro tipo “Jumper”. O Relé também não. Estranho! Tentei abrir um exemplo pronto que vem no KiCad (pic programmer), e apesar de aparecer quase todos os componentes na visão 3D, ainda faltam também os conectores… o.O Agradeço seu tempo em escrever e compartilhar conhecimento conosco!… Leia mais »
Rodrigo,
é sempre bom poder ajudar.
Quanto aos modelos 3D, quando os arquivos de exemplo foram criados o conector por exemplo usava o arquivo Connect.3dshapes/bornier3.wrl. Nas versões mais novas do kicad o arquivo mudou de pasta para Connectors.3dshapes/bornier3.wrl mas aparentemente o footprint associado não foi atualizado.
No PcbNew aplicando um duplo clique no componente e abrindo a aba “Configurações 3D” é possível atualizar o caminho do modelo 3D (tela mostrada na figura ema anexo).
Abraço.

Fala Luis!
Rapaz, muitíssimo obrigado por essa “ultima”dica! 🙂
O lance de não aparecer (pelo menos os conectores KRE3 na visão 3D), foi solucionado seguindo justamente esse seu último printscreen. Show de bola! 😉
Artigos que ficam para referência futura sobre o KiCad. 🙂
Obrigado!
Abração.
Irado, obrigado. Conseguir seguir o tutorial e montar a minha plaquinha. Tá corroendo, quando ficar pronta mando foto!
Abraço.
Ismael, mande foto da placa pronta sim. Satisfação do artigo ter sido útil.
Muito boa a série de artigos! Deu pra seguir certinho os passos e concluir o design da placa. Agora é só treinar e colocar a criatividade pra funcionar!
Fico feliz em ajudar. Apesar dos artigos serem uma “receita de bolo” e não tratarem de todas as funcionalidades do Kicad, já é um bom início para usar o programa e conseguir entender o básico.
Foi um belo pontapé inicial Luis. Já vinha namorando o KiCAD há tempos e seu artigo certamente me ajudou a começar minha substituição do Eagle PCB pelo KiCAD.
Fico feliz em ter ajudado. Comecei com o Eagle também (a bastante tempo), mas a restrição do tamanho da placa na versão da época me fez migrar para outras alternativas. Usei bastante tempo o gschem e pcb do projeto gEDA, é uma suíte muito boa, mas criar novos footprints para o pcb era só no editor de texto e calculadora na mão (não uso a bastante tempo, não sei se melhorou). No Kicad a integração entre os programas é muito boa, criar ou alterar símbolos e footprints também ficou bem mais fácil. Os componentes 3d no wings3d dão um pouco… Leia mais »
Concordo com você Luis. Andei muito frustrado com as ferramentas CAD/EDA pra Linux, quase apelando para ferramenta comercial via QEMU, porque de fato não tenho Windows algum há alguns anos, rs.
Fiquei muito feliz quando o pessoal do CERN deu esse gás no KiCAD, e depois que terminar esses meus pequenos projetos vou tentar dar uma força aos caras, nem que seja ajudando na tradução.