Na segunda parte da série veremos as características de hardware que compõem os CLP’s e como isso influencia em sua aplicação.
Atualmente podemos encontrar diversos tipos de CLP’s na indústria da automação, alguns com aplicações mais genéricas e de uso geral e outros dedicados a uma função específica ou que compartilham funções de outros equipamentos. Por exemplo, podemos encontrar controladores lógico programáveis que atendem às seguintes aplicações:
- Segurança de processos (Safety PLC);
- Comunicação GSM/GPRS;
- IHM incorporado (Interface Homem Máquina);
- Inversores de frequência com CLP incorporado;
- CLP para controle de movimento;
- CLP para controle hidráulico e pneumático.
Estes e outros exemplos de CLP’s tornam determinadas aplicações mais simples e até mesmo mais baratas, já que possuem recursos que otimizam a automação.
Ainda assim os CLP’s de uso geral são os mais utilizados nos sistemas de automação, com uma vasta gama de fabricantes e modelos, e contando com preços bem variados não é difícil adquirir um deles. Os CLP’s que possuem até 100 pontos de entrada e saída podem ser classificados como de pequeno porte. Os de médio porte podem ter de 100 a 500 pontos e os de grande porte apresentam mais de 500 pontos, podendo chegar a milhares de pontos de entrada e saída.
Classificação do Controlador Lógico Programável
De forma geral podemos classificar os CLP’s do seguinte modo:
- Compacto;
- Modular;
- Soft-PLC.
CPU de um Controlador Lógico Programável
A CPU de um controlador lógico programável realiza todas as operações lógicas da automação a ser executada e ainda é responsável por diversas outras funções como comunicação, diagnósticos e execução do RTOS (sistema operacional de tempo real) do CLP.
A velocidade de processamento da CPU é um fator que requer atenção, pois está diretamente ligada a fatores como:
- Número de pontos de entrada e saída digitais e analógicos;
- Tamanho do programa a ser executado;
- Quantidade de loops e cálculos matemáticos necessários na aplicação, como loops de controle PID, interpolação de eixos, sub-rotinas, processamento de variáveis, entre outros;
- Velocidade de resposta requerida: o controle de uma turbina a gás requer uma velocidade de resposta muito maior se comparado com o controle de uma esteira, por exemplo.
Determinar o modelo correto da CPU é fundamental no momento do projeto do sistema. Vale lembrar que é comum encontrar no mercado modelos que operam a uma velocidade que varia de 1 a 50 ms para processar um conjunto de mil instruções.
O tamanho da memória de programa é outro ponto que requer atenção caso o programa a ser executado for muito grande. Geralmente encontramos memórias que vão de algumas dezenas de Kbytes a vários Mbytes, lembrando que, na maioria dos casos, é possível ampliar a memória utilizando cartões ou módulos específicos do fabricante do CLP.
No interior da CPU é comum encontrarmos diversos tipos de processadores. Em CLP’s mais básicos e de pequeno porte, até os de médio porte, podemos encontrar microcontradores das famílias PIC e ARM Cortex M3 ou M4. Também é comum encontrarmos FPGA’s, já que estes podem operar com processadores softcore e possuem grande flexibilidade de programação e de hardware. Os CLP’s compactos são exemplos clássicos onde encontramos esses dispositivos.
Já os CLP’s de grande porte utilizam processadores de alto desempenho como ARM Cortex A8 e A9 e recentemente o ARM Cortex A15 já está sendo utilizado. Para o futuro não será difícil encontrarmos os novos modelos Cortex A50 em aplicações industriais. Também encontramos processadores Power PC e o clássico padrão 8086 comercializado pela Intel e AMD.
O sistema operacional do CLP deve ser robusto para evitar falhas nos processos a serem controlados. Entre os sistemas operacionais utilizados podemos encontrar o RTOS Vxworks, ThreadX, FreeRTOS, MicroC/OS-II e inclusive versões do Linux.
Fonte de Alimentação
O CLP trabalha com tensões contínuas que vão de 3,3V a 24V, e necessita de uma fonte robusta e confiável que lhe forneça as tensões a níveis tolerados de ruído e oscilação.
Geralmente as fontes dos CLPs são alimentadas com tensão alternada entre 90V a 250V e devem ser protegidas contra curto-circuito e sobrecargas, proteção que pode ser feita utilizando fusíveis de ação rápida ou disjuntores termomagnéticos devidamente dimensionados.
É importante lembrar que a fonte do CLP deve estar separada da fonte das cargas do processo como sensores e atuadores. Estes não devem ser ligados a fonte do CLP por motivos de isolamento elétrico e limitações de potência, e assim devem possuir uma fonte de alimentação exclusiva.
Logo abaixo podemos conferir o diagrama de blocos de uma fonte chaveada.
Entradas e saídas digitais
As portas digitais de entrada e saída do CLP, como todo circuito elétrico, possuem limitações de tensão, corrente e frequência de acionamento. Observar esses limites, bem como suas corretas ligações elétricas, é um passo fundamental no projeto ou na manutenção de qualquer sistema automatizado.
Entrada digital
Além da frequência, a principal limitação das entradas digitais de um CLP está na tensão de operação. Para esses sinais é comum utilizar 24Vdc ou ainda 127Vac.
Os sinais digitais são provenientes de diversos equipamentos no processo, tais como:
- Pressostatos;
- Termostatos;
- Chaves de nível;
- Botoeiras;
- Sensores de proximidade;
- Chaves fim de curso.
E até mesmo de outros CLP’s e equipamentos como inversores de frequência.
Entrada digital tipo N e tipo P
A comutação executada em um sinal digital de corrente contínua na entrada de um CLP pode ser de dois tipos:
- Tipo N ou Source : Quando o CLP reconhece na entrada o potencial negativo da fonte de alimentação;
- Tipo P ou Sink : Quando o CLP reconhece na entrada o potencial positivo da fonte de alimentação.
Em ambos, os casos a falta do sinal caracteriza nível lógico 0 e a presença do sinal nível lógico 1.
Como citado anteriormente, é possível encontrar entradas em corrente alternada, facilitando a aplicação com relés, contatoras e botoeiras. Os circuitos devem ser isolados eletricamente para que em caso de picos de tensão a CPU do CLP não seja prejudicada.
Ainda é possível encontrar no mercado módulos de entrada digital do tipo entrada rápida que suportam frequências maiores, que podem chegar a até a casa dos Khz. Uma das aplicações desses módulos é em encoders e sensores de velocidade.
É de extrema importância consultar o manual do CLP antes de se realizar qualquer ligação, algo que não é difícil hoje pois a maioria dos fabricantes disponibiliza seus manuais gratuitamente pela internet.
Na figura abaixo vemos o diagrama de blocos de um sistema de entrada digital para vários canais. Neste caso é utilizado um multiplexador ou serializador de dados para reunir o sinal de todos os canais em apenas um, para que posteriormente seja isolado para o circuito de controle.

Na figura abaixo vemos um exemplo de ligação de um módulo de entrada digital do controlador NEXTO da empresa Altus. Nesse caso o módulo reconhece sinal positivo aplicado em seus canais (entrada P).
Saída Digital
As saídas digitais são utilizadas para acionar atuadores como lâmpadas, contatoras, válvulas solenoide, motores, entre outros dispositivos, e podem ser encontradas basicamente em três tipos:
- Saída por relé;
- Saída por transistor;
- Saída por tiristor.
Saída a relé
Muitos CLP’s utilizam como elemento ativo de saída circuitos com relés. Essa técnica possui algumas características que devem ser estudadas antes de serem aplicadas:
- Os relés podem trabalhar em uma ampla faixa de tensão e corrente. É comum encontrar saídas digitais de 250Vac/dc de 2A a 10A, por exemplo, o que diminui a necessidade de circuitos auxiliares;
- Os relés podem comutar circuitos em corrente contínua ou alternada;
- Por serem elementos eletromecânicos, estão sujeitos a limitações como desgaste dos contatos e velocidade de comutação.
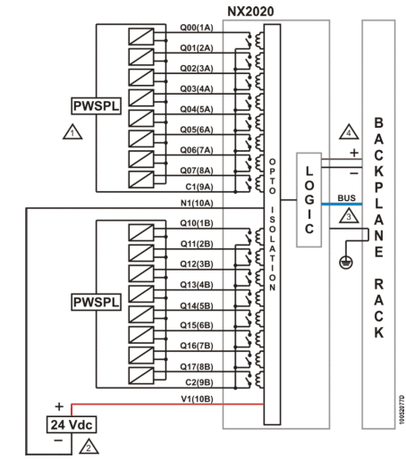
No diagrama do exemplo acima cada relé suporta uma corrente máxima de 2A e uma tensão máxima de 250Vac. A frequência máxima de chaveamento é de 1HZ. Repare no detalhe em que se utiliza duas fontes de alimentação, sendo uma para as cargas e outra para alimentar o módulo com 24Vdc.
Saídas por transistor
Muitos CLP”s utilizam como saída digital dispositivos eletrônicos como transistores bipolares e IGBT’s. Esta técnica possui as seguintes características:
- Por serem elementos estáticos possuem maior vida útil que os relés;
- Trabalham apenas com corrente contínua, geralmente com tensão de 24Vdc;
- Comutam correntes de baixa amplitude como, por exemplo, 500 mA na maioria dos casos.
Em alguns casos é possível a utilização de mais de um canal para uma mesma carga para se aumentar a corrente máxima. Por exemplo, é possível utilizar dois canais de 0,5A simultaneamente para acionar uma carga de 1A. Nesse caso o acionamento dos canais deve ser simultâneo para evitar sobrecargas em um dos canais.
Tipos de saída a transistor
- Tipo N ou Sink: Quando o canal libera potencial negativo da fonte de alimentação de 24 Vdc para a saída (carga ligada entre o potencial positivo da fonte e a saída);
- Tipo P ou Source: Quando o canal libera potencial positivo da fonte de alimentação de 24 Vdc para a saída (carga ligada entre o potencial negativo da fonte e a saída).
Na figura abaixo vemos um exemplo de ligação de um módulo de saída digital transistorizado do controlador NEXTO da empresa Altus.
Saída por corrente alternada (Tiristor)
Muitas cargas nos sistemas automatizados operam com tensão alternada, como pequenos motores, válvulas, contatoras e lâmpadas. Saídas em corrente alternada podem ser úteis em aplicações de comando elétrico.
Alimentação de 90 Vca a 240 Vca.
Os circuitos em CA geralmente possuem:
- Varistor : Protege contra o surto de tensão;
- RC : Protege contra disparo indevido;
- Triac : Isolado do sistema por acoplador óptico.
No próximo artigo veremos as entradas e saídas analógicas e as redes de comunicação utilizadas pelo CLP.
Referências
