O uso de display de LEDs permite exibir diversas informações para o usuário. Com a combinação dos LEDs em forma de diplays de 7 segmentos, bargraph ou uma matriz de pontos é possível criar números, imagens ou até mesmos palavras. Henrique Puhlmann apresentou os displays de 7 segmentos e técnicas para multiplexação e acionamento usando microcontroladores.
Nesse artigo vamos abordar o uso de matriz de LEDs entendendo o seu funcionamento e utilizando o CI MAX7219 e um exemplo usando a placa Arduino UNO. Utilizaremos o módulo Matriz de LEDs 8X8 com MAX7219, fornecido pela loja FILIPEFLOP.
Hardware para uso de Matriz de LEDs
Uma matriz de LEDs permite a criação de mensagens com maior quantidade de informação. Diferentemente dos display de 7 segmentos, é possível criar números, letras e desenhos de uma forma mais elegante. A figura 6 exibe uma matriz de LEDs 8X8:
Nessa forma de montagem estão dispostos 64 LEDs para combinação e criação de imagens. Existem matrizes onde cada ponto é apenas um LED, ou seja, uma cor, e existem outras com 2 ou 3 LEDs permitindo a criação de imagens coloridas. Neste artigo vamos abordar apenas as matrizes de uma única cor.
Os LEDs na matriz são ligados de uma forma especial, para que se possa reduzir o número de pinos de acionamento, reduzindo assim o hardware de driver. Assim como os displays de 7 segmentos, as matrizes de LEDs também possuem montagens diferentes, que estão relacionadas à polaridade dos LEDs. A figura 2 exibe os dois tipos de montagens possíveis:
Note que a matriz está dividida em linhas e colunas, onde os LEDs são ligados em comuns. Essa forma de montagem reduz a quantidade de pinos para acionamento dos LEDs, 64 LEDs acionados por 16 pinos! Porém o acionamento requer técnica de multiplexação, para que se possa desenhar imagens utilizando todos os LEDs presentes na mesma. A multiplexação deverá acionar uma linha por vez e o LED desejado para cada coluna. Depois de um tempo essa linha deverá ser apagada e a próxima linha deverá ser acionada. Deve-se repetir esse ciclo continuamente para todas as linhas. A frequência de chaveamento entre linhas deverá ser feita acima de 50 Hz para que se aproveite do efeito de persistência de visão, onde uma imagem permanece por um tempo na retina. Dessa forma é possível exibir imagens usando todos os LEDs.
Para essa varredura pode-se utilizar um microcontrolador, porém serão necessários 16 pinos do mesmo para essa tarefa, e isso para apenas uma matriz. Para facilitar esse processo, pode-se utilizar circuitos digitais, como registradores de deslocamento, diminuindo a quantidade de pinos utilizados do microcontrolador.
Outra forma, mais interessante, é utilizar um CI dedicado para essa tarefa. O MAX7219 é dedicado para o acionamento de displays de LEDs. Com ele é possível acionar até 8 displays de 7 segmentos ou uma matriz de LEDs de 8X8. A entrada de dados é feita de forma serial, reduzindo a quantidade de pinos do microcontrolador. São utilizados apenas 3 pinos para interface com o microcontrolador, DIN, CLK e CS. O pino DIN é utilizado para inserir os bits (16 bits), que é sincronizado pelo pino CLK, o clock de sincronismo definido pelo microcontrolador. O pino CS é utilizado para transferir os 16 bits inseridos para o display. Os detalhes de funcionamento desse CI está disponível em seu datasheet.A figura 3 exibe a pinagem do MAX7219:
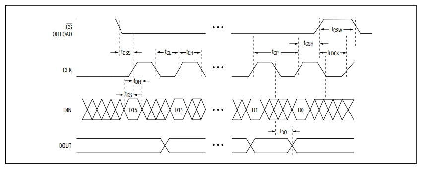
O diagrama de tempo para o MAX7219 é apresentado na figura 4:
Figura 4 – Diagrama de tempo do MAX7219
A ligação do MAX7219 ao display necessita de atenção, caso seja feita em um protoboard, já que são necessárias muitas ligações. A figura 5 exibe o esquema de ligação do CI na Matriz de LEDs 8X8:
A figura 6 exibe um exemplo de ligação em uma protoboard. Note que são necessários muitos cabos:
Para facilitar a ligação do MAX7219 ao display, está disponível um módulo Matriz de LEDS 8X8 com MAX7219 na loja FILIPEFLOP. Esse módulo facilita a montagem de displays em Matriz de LEDs. A figura 7 exibe o módulo:
Para exemplificar o uso desse módulo, vamos criar uma aplicação utilizando a plataforma Arduino.
Exemplo de utilização de uma Matriz de LEDs
O exemplo a seguir tem como objetivo apresentar um jogo do tipo pong, utilizando a matriz de LEDs. Foi baseado no exemplo apresentado no livro Arduino Básico, da Novatec. Serão apresentados todos os detalhes da programação, para que você possa construir suas próprias aplicações utilizando a biblioteca LedControl.
Material necessário
Para esse exemplo você precisará dos seguintes componentes:
- Arduino UNO;
- Módulo Matriz de LEDs;
- Potenciômetro;
- Cabos.
Ligação do hardware
A ligação do Arduino ao módulo é bem simples, necessitando apenas de 5 cabos. A ligação deve ser feita conforme tabela 1 a seguir:
O Potenciômetro deverá ser ligado à entrada analógica 5. Feitas as ligações necessárias, vamos passar para a programação.
Programação
Para o programa a seguir será necessário instalar a biblioteca LedControl. Após a instalação da mesma, compile o programa e faça o upload para a placa:
/*
Exemplo PONG
Livro Arduino Básico de Michael McRoberts
*/
//inclui biblioteca LedControl:https://playground.arduino.cc/Main/LedControl
#include "LedControl.h"
LedControl myMatrix = LedControl(12, 11, 10, 1); // cria uma instância de uma Matriz
//pino 12 - DIN
//pino 11 - CLK
//pino 10 - CS
int column = 1, row = random(8)+1; // decide em que ponto a bola deve iniciar
int directionX = 1, directionY = 1; // certifica-se de que ela vai primeiro da esquerda para a direita
int paddle1 = 5, paddle1Val; // pino e valor do potenciômetro
int speed = 300; // velocidade
int counter = 0, mult = 10; // variáveis auxiliares para controle de velocidade
void setup() {
myMatrix.shutdown(0, false); // habilita o display
myMatrix.setIntensity(0, 1); // define o brilho dos leds
myMatrix.clearDisplay(0); // limpa o display
randomSeed(analogRead(0)); //
}
void loop() {
paddle1Val = analogRead(paddle1); //le valor do potenciometro
paddle1Val = map(paddle1Val, 200, 1024, 1,6); //mapeia valor para entre 1 e 6
column += directionX; //atualiza valor da coluna
row += directionY; //atualiza valor da linha
//verifica se boa atingiu a raquete
if (column == 6 && directionX == 1 && (paddle1Val == row || paddle1Val+1 == row
|| paddle1Val+2 == row))
{
directionX = -1; //rebate bola
}
//verica se bola atingiu paredes: topo, base ou lateral esquerda
if (column == 0 && directionX == -1 ) {directionX = 1;}
if (row == 7 && directionY == 1 ) {directionY = -1;}
if (row == 0 && directionY == -1 ) {directionY = 1;}
//caso tenha atingido a coluna 7, significa que ultrapassou a raquete
if (column == 7) { oops(); } //chama a função oops, para finalizar o jogo
myMatrix.clearDisplay(0); // limpa a tela para o próximo quadro de animação
myMatrix.setLed(0, column, row, HIGH); //desenha bola na linha e coluna atual
//desenha raquete na coluna 7
myMatrix.setLed(0, 7, paddle1Val, HIGH);
myMatrix.setLed(0, 7, paddle1Val+1, HIGH);
myMatrix.setLed(0, 7, paddle1Val+2, HIGH);
if (!(counter % mult)) {speed -= 5; mult * mult;}
delay(speed);
counter++;
}
void oops()
{
for (int x=0; x<3; x++)
{
myMatrix.clearDisplay(0);
delay(250);
for (int y=0; y<8; y++)
{
myMatrix.setRow(0, y, 255);
}
delay(250);
}
// reinicia todos os valores
counter=0;
speed=300;
column=1;
row = random(8)+1; // escolhe uma nova posição inicial
}
Inicialmente foi incluída ao projeto a biblioteca LedControl responsável pela manipulação do display através do MAX7912. Após a inclusão foi criada uma instância para a matriz:
#include "LedControl.h"
LedControl myMatrix = LedControl(12, 11, 10, 1); // cria uma instância de uma Matriz
//pino 12 - DIN
//pino 11 - CLK
//pino 10 - CS
Na sequência foram criadas as variáveis que serão utilizadas para controle do jogo. Inicialmente foram criadas as variáveis para controle de linha e coluna. O programa inicia na coluna 1 e a linha é iniciada aleatoriamente.
int column = 1, row = random(8)+1; // decide em que ponto a bola deve iniciar
Depois foram criadas para controle de direção do deslocamento da bola É iniciado com valores para garantir o deslocamento da esquerda para a direita:
int directionX = 1, directionY = 1; // certifica-se de que ela vai primeiro da esquerda para a direita
Para leitura do potenciômetro, foi definido o pino e uma variável para leitura:
int paddle1 = 5, paddle1Val; // pino e valor do potenciômetro
Por último foram criadas variáveis para o controle de velocidade de deslocamento. Foi iniciada a velocidade com 300 ms e um contador com zero e um multiplicador com 10:
int speed = 300; // velocidade int counter = 0, mult = 10; // variáveis auxiliares para controle de velocidade
Na função setup() foi habilitado o display, configurada a sua intensidade e também apagado o display. Por fim a função randomSeed() é inicializada com um valor aleatório, presente no pino A0:
void setup() {
myMatrix.shutdown(0, false); // habilita o display
myMatrix.setIntensity(0, 1); // define o brilho dos leds
myMatrix.clearDisplay(0); // limpa o display
randomSeed(analogRead(0)); //
}
Na função loop() primeiramente é lido o valor do potenciômetro e mapeado para valores de 1 a 6.
paddle1Val = analogRead(paddle1); //le valor do potenciometro paddle1Val = map(paddle1Val, 200, 1024, 1,6); //mapeia valor para entre 1 e 6
Posteriormente é somado às variáveis linhas e colunas os valores presentes nas variáveis de direção:
column += directionX; //atualiza valor da coluna row += directionY; //atualiza valor da linha
Próximo passo é verificar se a bola chegou à coluna 6 e atingiu a raquete. Caso tenha atingido a raquete é invertida a direção de deslocamento da bola:
if (column == 6 && directionX == 1 && (paddle1Val == row || paddle1Val+1 == row || paddle1Val+2 == row))
{
directionX = -1; //rebate bola
}
Na sequência é verificado se a bola atingiu as paredes, caso encontre algumas delas a direção é invertida:
if (column == 0 && directionX == -1 ) {directionX = 1;}
if (row == 7 && directionY == 1 ) {directionY = -1;}
if (row == 0 && directionY == -1 ) {directionY = 1;}
A ultima verificação é se a bola ultrapassou a raquete, caso chegue à coluna 7 o jogo é finalizado chamando a função oops():
if (column == 7) { oops(); } //chama a função oops, para finalizar o jogo
Para finalizar o loop o display é atualizado. Primeiro ele é apagado, depois a bola é desenhada em sua nova posição e por ultimo é atualizada a posição da raquete:
myMatrix.clearDisplay(0); // limpa a tela para o próximo quadro de animação myMatrix.setLed(0, column, row, HIGH); //desenha bola na linha e coluna atual //desenha raquete na coluna 7 myMatrix.setLed(0, 7, paddle1Val, HIGH); myMatrix.setLed(0, 7, paddle1Val+1, HIGH); myMatrix.setLed(0, 7, paddle1Val+2, HIGH);
Por último é atualizada a velocidade de deslocamento da bola:
if (!(counter % mult)) {speed -= 5; mult * mult;}
delay(speed);
counter++;
A função oops() apaga o display e depois acende todos os pontos, piscando 3 vezes indicando o fim do jogo. Tambéms são reiniciadas as variáveis e definida uma nova posição inicial:
void oops()
{
for (int x=0; x<3; x++)
{
myMatrix.clearDisplay(0);
delay(250);
for (int y=0; y<8; y++)
{
myMatrix.setRow(0, y, 255);
}
delay(250);
}
// reinicia todos os valores
counter=0;
speed=300;
column=1;
row = random(8)+1; // escolhe uma nova posição inicial
}
Essa foi uma aplicação possível para um display Matriz de LEDs 8X8, porém existem diversas aplicações que podem ser feitas utilizando esse tipo de display. O uso do MAX7219 facilita a manipulação e desenvolvimento do hardware para criação de displays mais complexos. A biblioteca LedControl auxilia na programação de aplicações utilizando o MAX7219, vale a pena estudar a sua implementação e testar outras aplicações utilizando essa biblioteca. Confira o projeto Parola que apresenta um display de mensagem rolante bem interessante.
Referências
Displays de LED de 7 segmentos
Sistemas Operacionais de Tempo Real – Displays de 7 segmentos
Módulo Matriz de LED 8×8 com MAX7219








ola pessoal, a minha pergunta é, como acender os leds da matriz depois de alguns segundos?, eu tenho 2 matrizes ligadas, que acendo leds especificos com uma senha, bele, td fucnionba certinho, os leds acendem depois de 5,5 segundos, olk, só que nesse tempo, meu teclado matricial não aceita comandos pore causa do delay, então preciso que quando eu digite meu código no teclado, o led acenda depois de 5,5 segundos mas sem usar delay, como faço, valeu
Olá boa noite, eu comprei 10 matriz de LED 8×8 2088BS no ALIEXPRESS, coluna cátodo comum, para fazer minhas brincadeiras com eletrônica, e para minha surpresa chegou os displays, MAS 2088AS (coluna anodo comum) eu então virei um deles para usar como cátodo comum e funcionou direitinho, agora vou programar o Arduino para o jogo pong, valeu ae
Liguei 3 MAX7219 em série, mas ao invés da matriz, utilizei LEDs comuns. Funcionam perfeitamente, mas só durante algumas horas, não sei dizer quantas exatamente, após isso congelam, hora apagados, hora acesos.
Alguém já passou por algo parecido?
Os pinos no steck estão //pino 12 – DIN //pino 11 – CLK //pino 10 – CS
colocou 2,3,4
e o pino do potenciomentro precisa colocar
pinMode(5,INPUT_PULLUP); // senão colocar pullup a raquete fica sempre de um lado
a velocidade é melhor em 100 ao inves de 300
se usarem com 4 display precisa colocar em LedControl myMatrix = LedControl(12, 11, 10, 4); // cria uma instância
minha matriz esta com problemas eu programo mas ela so fica com um mesmo desenho
Estou com uma matriz de led 8×8 RGB deste mesmo modelo tem como ajudar, posso controlar a matriz RGB com o Max7219 ,se sim teria como mandar o diagrama de conexões, desde já agradeço, Parabéns pelo trabalho.
Alguem que tenha experiencia com raspberry pode me explicar no que ta dando errado . Fiz o experimento da matrix de led com raspi e olhe no q deu https://youtu.be/8FureD0Ix9g
A matriz provavelmente esta com a polaridade trocada, eh soh vc inverter
Preciso fazer um projeto em que terei que ligar 25 matizes dessas.. quero saber como funciona para ligar uma na outra, se o arduino suporta e como faço para que cada matriz faça algo diferente ao mesmo tempo. Grato.
Bacana Fabricio,
Da uma estudada nesse projeto: https://parola.codeplex.com/
Veja também esse tutoriaL: https://www.instructables.com/id/Multiple-LED-Matrixes-with-Arduino/?lang=pt
Abraços
Mano está muito bom mesmo. Gostaria de sugerir que você utilize o padrão acadêmico para a criação de postagens, com opção de copiar referências para utilizar em um TCC no padrão ABNT de citações.