Hoje, com a facilidade de encontrar placas de prototipagem no mercado, ficou fácil você automatizar sua casa e alguns processos do seu dia a dia. Você pode facilmente criar um projeto para ligar sua cafeteira remotamente, ou receber uma notificação de um evento em sua casa.
Além disso, o desenvolvimento de projetos open hardware permite que diversas pessoas contribuam para novos projetos e aplicações.
É com grande satisfação que o Embarcados apresenta o KiT de Automação, que é um projeto open hardware desenvolvido pela equipe de articulistas do Embarcados.
A seguir serão apresentados todos os detalhes do esquemático desse projeto.
Hardware
O KiT de Automação foi desenvolvido para ser compatível com os Arduinos UNO e NANO. O kit possui 6 saídas a reles, 4 saídas digitais com acopladores ópticos, 4 entradas digitais com acopladores ópticos, 3 entradas analógicas e comunicação serial (RS-232 ou RS-485).
A ferramenta utilizada para criar o hardware do projeto foi o Proteus 8. Os arquivos estão disponíveis em diretório no GitHub. Neste diretório, além do projeto do Proteus, possui também arquivo PDF com o Circuito Elétrico, Bill Of Materials e arquivos Gerber para confecção da placa. O projeto está sob a licença Creative Commons Attribution-ShareAlike 4.0 International License. A figura 1 exibe o pinout do kit de Automação:
Entradas Analógicas
As entradas analógicas estão disponíveis nos conectores J8, J9 e J10. O circuito analógico contém amplificadores operacionais LM358 (facilmente substituível por LT1013). A entrada do conector J9 possui ainda circuito para o ajuste de OFFSET. Este circuito pode ser habilitado através do “jumpers” JP4 e JP7.
A tensão de operação do circuito analógico é 3V a 5V. Para as entradas analógicas foi adicionado o diodo TVS (Transient Voltage Suppressor) P6KE6V8CA, e possui uma tensão de ruptura de 6V.
A tabela a seguir exibe as entradas analógicas e as respectivas ligações nos Arduinos.
Tabela 1 – Demonstra os conectores do KiT com os conectores do Arduino
| KiT de Automação | Arduino UNO R3 | Arduino NANO |
| J10 | A0 | A2 |
| J9 | A2 | A4 |
| J8 | A1 | A3 |

O conector J5 é destinado para selecionar fonte de alimentação do circuito analógico, fonte alimentação externa ou interna.

Entradas Digitais
As entradas digitais estão disponíveis nos conectores J15 e J16. O circuito digital contém acopladores ópticos EL817. A seguir é apresentada uma tabela com as entradas digitais e as respectivas ligações nos Arduinos.
A tensão de entrada é de 3V a 5V. Entradas digitais contêm diodos de TVS P6KE13CA, e o mesmo possui uma tensão de ruptura de 13V.
Tabela 2 – Demonstra os conectores do KiT com os conectores do Arduino
| KiT de Automação | Arduino UNO R3 | Arduino NANO |
| In D0 | D9 | D9 |
| In D1 | D8 | D8 |
| In D2 | D7 | D7 |
| In D3 | D6 | D6 |

Saídas Digitais
As saídas digitais estão disponíveis nos conectores J12, J13 e J14. O circuito digital contém acopladores ópticos EL817. A seguir é apresentada uma tabela com as saídas digitais e as respectivas ligações nos Arduinos.
A tensão de operação do circuito de saída digital é 3V a 12V. Para as analógicas entradas foi adicionado o diodo TVS P6KE13CA, e possui uma tensão de ruptura de 13V.
Tabela 3 – Demonstra os conectores do KiT com os conectores do Arduino
| KiT de Automação | Arduino UNO R3 | Arduino NANO |
| Out D0 | D5 | D5 |
| Out D1 | D4 | D4 |
| Out D2 | D3 | D3 |
| Out D3 | D2 | D2 |

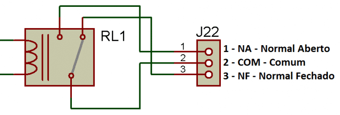
Saídas a Relés
As saídas a relés, que podem ser usadas para acionamento de cargas, estão disponíveis nos conectores J17, J18, J19, J20, J21 e J22. A seguir é apresentada uma tabela com as saídas a reles e as respectivas ligações nos Arduinos.
Tabela 4 – Demonstra os conectores do KiT com os conectores do Arduino
| KiT de Automação | Arduino UNO R3 | Arduino NANO |
| Relé 1 | A5 | A0 |
| Relé 2 | A4 | A1 |
| Relé 3 | D13 | D13 |
| Relé 4 | D12 | D12 |
| Relé 5 | D11 | D11 |
| Relé 6 | D10 | D10 |

O kit disponibiliza ao usuário duas opções para comunicação RS232 e RS485, que são selecionadas através dos “jumpers” JP1 e JP2.
O barramento RS-232 esta disponível no conector DB9 J11. O seu circuito conta com o componente MAX232.
A comunicação com RS-485 está disponível no conector J26. Em seu circuito conta com o componente MAX485 (facilmente substituível por MAX487). Os “jumpers” JP5 e JP6 são utilizados para adicionar ou não o “Terminador” ao barramento de comunicação.

Fonte de Alimentação
Alimentação do KiT de Automação é feita através do conector J24, onde o pino 1 é GND e pino 2 é POWER. O circuito da alimentação externa possui um diodo de proteção, caso o usuário venha inverter a polaridade.
A tensão de alimentação é de 12V. O componente que possui maior influência para determinar a tensão do hardware são os relés. O circuito de alimentação conta também com regulador de tensão de 5V, que é o CI (Circuito Integrado) 7805.

LEDs de Sinalização
O Kit de Automação conta com diversos LEDs no hardware, a fim de auxiliar o usuário no desenvolvimento de sua aplicação. Os LEDs estão presentes no circuito de alimentação, nas linhas de acionamento dos relés e nas entradas e saídas digitais
Proteção
Para a proteção o hardware contém diversos diodos TVS nas entradas e saídas. Assim, as entradas do kit ficam protegidas de qualquer tensão acima do limite especificado, evitando que o mesmo possa se danificar.
Licença
Esse projeto foi publicado sob a licença Creative Commons Attribution-ShareAlike 4.0 International Public License.
O Embarcados não tem qualquer compromisso comercial com esse projeto, sendo assim não nos responsabilizamos pela garantia de funcionamento ou pela fabricação de placas. A Empresa Mazza G-Tec apenas apoiou no desenvolvimento do protótipo, não assumindo nenhum compromisso comercial para a venda das placas, junto ao Embarcados. Sendo assim, para confecção de mais placas a negociação deve ser feita diretamente com a Empresa, sem envolvimento do Embarcados ou desenvolvedor do projeto. Devem ser respeitadas as licenças de publicação do projeto.
Conclusão
O Kit de Automação não se limita apenas à utilização com os Arduino UNO e NANO, o usuário pode e deve estar utilizando qualquer plataforma de desenvolvimento que seja baseada no “pinout” do Arduino. (Freedom Board, Intel Galileo e entre outras).
O hardware é indicado tanto para aplicações simples de automação industrial e residencial. Pois o KiT de Automação dispõe de entradas analógicas ideais para realizar leituras de sensores, entradas e saídas digitais galvanicamente isoladas, relés para acionamento de cargas e comunicação serial RS-232, RS-485.
Nos próximos artigos serão apresentados o layout da placa e o protótipo inicial do projeto.
Apoio
Para a confecção da PCI para o protótipo desse projeto contamos com o apoio da Mazza G-Tec, uma empresa focada para confecção de circuitos exclusivos, ou pequenas quantidades para protótipos e projetos com um bom custo benefício.





ola voce poderia me enviar o circuito eletrico no formato que abra no proteus
OLá Evandro, antes de mais nada parabéns pelo trabalho
meu estou com dificuldade de abrir no proteus 8 ou 8.5
ambos dão erro saberia me informar porque
Obrigado
hola como esta me puede pasar el ciruito pcb y los materiales loq uiero armar, saludos de la paz bolivia, mi coorreo es: luisbgomez@hotmail.com
As informações do projeto esta disponível no Github:
->Diretório do Projeto:
https://github.com/evandro-teixeira/KiT_Automacao
->Circuito Elétrico:
https://github.com/evandro-teixeira/KiT_Automacao/blob/master/Rev00/Kit_de_Automa%C3%A7%C3%A3o.PDF
->Arquivo para confecção da PCB
https://github.com/evandro-teixeira/KiT_Automacao/blob/master/Rev01/Kit_de_Automa%C3%A7%C3%A3o%20-%20CADCAM.ZIP