O KiCad é um conjunto de programas de código livre multiplataforma (Windows/Linux/Mac) para captura de esquemáticos, desenho de placas de circuito impresso (PCB) e visualização 3D da placa. O site oficial do projeto é este e o programa pode ser baixado neste endereço.
O KiCad recebe apoio para seu desenvolvimento de empresas e instituições como o CERN, Arduino e Raspberry Pi Foundation. Veja aqui.
Neste artigo será descrita a instalação e algumas características do KiCad 4.0.2 para Windows. A utilização doKiCad para criação de um projeto de placa de circuito impresso será tratada em artigos posterirores.
Instalação do KiCad
Ao executar o instalador, será aberta a janela de boas vindas. Basta clicar em “next” para continuar.
Na janela seguinte é possível escolher quais componentes devem ser instalados. Por padrão todos já vem selecionados, basta clicar “next” para continuar.
Na próxima janela, é possível escolher onde o KiCad será instalado. Para usar o diretório padrão, basta clicar em “next” novamente.
Em sequência será mostrada a janela de progresso da instalação, basta esperar a instalação ser finalizada.
Na finalização, basta clicar em “Finish” para concluir. Se o checkbox for marcado, você será redirecionado para a página do Wings3D, um editor de modelos 3D usado para desenhar novos componentes 3D para o Kicad. Para usar o Kicad, o Wings3D não é necessário.
Utilização do KiCad
Neste artigo será descrito algumas das ferramentas do KICAD e suas funcionalidades, em artigos futuros descreverei o processo de captura de um circuito e projeto e visualização de uma placa de circuito impresso.
Para iniciar o KiCad basta clicar no ícone:
A janela principal de projeto do KiCad será aberta:
Nela são encontradas as principais ferramentas do KiCad, algumas só são habilitadas após um projeto ser aberto. As ferramentas são descritas abaixo:
A primeira coisa a ser feita é criar ou abrir um projeto. Para ilustrar o funcionamento será aberto um projeto de exemplo que já vem incluído na instalação do KiCad.
Apos clicar em “Open Project” na tela de projeto principal, abra o arquivo:
C:\Program Files\KiCad\share\kicad\demos\pic_programmer\pic_programmer.pro
Agora na tela de projeto do KiCad é possível ver os arquivos do projeto de exemplo.
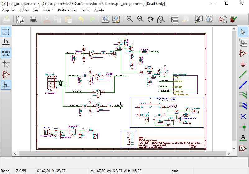
Clicando no arquivo com extensão .sch, será aberta a janela do Eeschema, o editor de esquemáticos do KiCad. No caso do projeto de exemplo, é mostrado o esquemático do circuito eletrônico de um gravador de microcontroladores PIC.
Clicando no arquivo com extensão .kicad_pcb na janela principal de projeto, será aberto a janela do PcbNew, o editor de placas de circuito impresso do KiCad.
Dentro do PcbNew, é possível abrir o visualizador 3D, acessando a opção “3D Viewer” no menu “Ver”.
Na janela de visualização 3D é possível visualizar e rotacionar a placa de circuito impresso, vendo todos os detalhes da posição dos componentes na placa.
O KiCad ainda possui algumas ferramentas (Pcb calculator) como o visualizador de código de cores de resistores de acordo com a precisão.
E uma calculadora de largura da trilha de cobre de acordo com a corrente e comprimento da trilha.
Assim é concluído esse primeiro artigo de apresentação do KiCad. Nos próximos artigos trataremos da captura de esquemáticos e projeto de placas de circuito impresso utilizando o KiCad.




























Essa opção de 3d viewer é nova? posso exportar o modelo 3D para fazer ajustes no desing industrial ?
A versão do Linux traz o circuito de exemplo?
Traz sim, no linux debian o exemplo está na pasta /usr/share/kicad/demos/pic_programmer/ .
Abraços
Ótima série Luis, parabéns. Só gostaria de deixar uma pequena contribuição para os usuários de Debian, que instalem o KiCAD no Jessie via backports. Parece óbvio e inclusive está descrito na página do KiCAD mas depende de uma opção específica no apt-get ou aptitude e alguns desavisados (como eu) podem acabar instalando a versão mais antiga que está na árvore padrão e não é recomendada para uso: $ apt-get -t jessie-backports install kicad
Obrigado pela dica, vai ser útil para vários usuários linux. Atualmente (há uns 4 anos) utilizo só o Debian unstable, nele o apt-get já instala a versão mas nova do Kicad direto.