Em diversas situações em projetos eletrônicos, é importante ter o domínio da teoria de circuitos elétricos, seja para o desenvolvimento de soluções novas ou até mesmo para resolver problemas do dia a dia. Um circuito muito utilizado em projetos eletrônicos é o divisor de tensão. Esse circuito permite obter uma tensão de saída proporcional a uma tensão de entrada, dependendo dos valores dos componentes do circuito. Assim é possível determinar o valor da tensão de saída, que será uma fração da tensão de entrada. O divisor de tensão é muito utilizado em circuito com microcontroladores para tensão de referência, leitura de sensores, leitura de uma tensão maior que a tensão de operação do microcontrolador, entre outras aplicações.
Para facilitar o entendimento do divisor de tensão, a seguir, serão apresentadas duas vídeo aulas. A primeira, aborda como deduzir a equação do divisor e a segunda apresenta o dimensionamento de um divisor com carga.
As vídeo aulas foram desenvolvidas por Wagner Rambo da WR Kits em seu canal no Youtube. Bons estudos!
Como deduzir a equação do divisor de tensão
Nessa vídeo aula é apresentado como deduzir a equação do divisor de tensão. Wagner exibe toda a análise do circuito chegando à equação final do divisor de tensão.
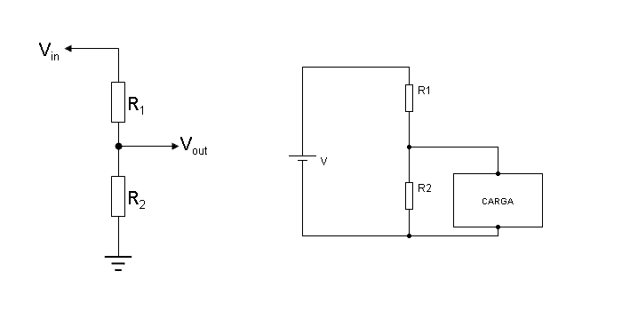
Divisor de tensão com carga
Aprenda a projetar um divisor de tensão para alimentar qualquer carga de forma adequada.
Para mais vídeos sobre o assunto, acesso o canal do WR Kits no Youtube e bons estudos!
Qualquer dúvida deixe seu comentário ou acesse o fórum e deixe sua pergunta.









Muito bom.
Show de bola, bem detalhado
Obrigado Tiago. Confirma mais artigos relacionados:
https://embarcados.com.br/tensao-corrente-e-resistencia-eletrica/
https://embarcados.com.br/interpretar-um-diagrama-esquematico/