Uma boa plataforma para desenvolvimento de projetos e protótipos é essencial para o projetista de sistemas embarcados. A utilização de matriz de contato e a rápida interligação de componentes aceleram o processo de validação de uma ideia. Além disso, ferramentas de fácil utilização e com possibilidade de gravação através de bootloader agilizam o processo de teste e prototipação.
Pensando nisso o projetista eletrônico Marcos Ribeiro, criou uma placa de desenvolvimento para microcontroladores PIC, a μStart for PIC, que pode ser facilmente utilizada para prototipagem rápida, pois além da facilidade de se conectar a uma matriz de contatos (protoboard), ela não necessita de gravador externo, já que o bootloader pré-gravado resolve essa questão, carregando o programa diretamente via interface USB.
Neste artigo vamos apresentar os principais recursos dessa placa explorando o seu hardware. O esquema elétrico e programa para bootloader estão disponíveis para download. No final do artigo deixaremos os links para os arquivos.
Hardware
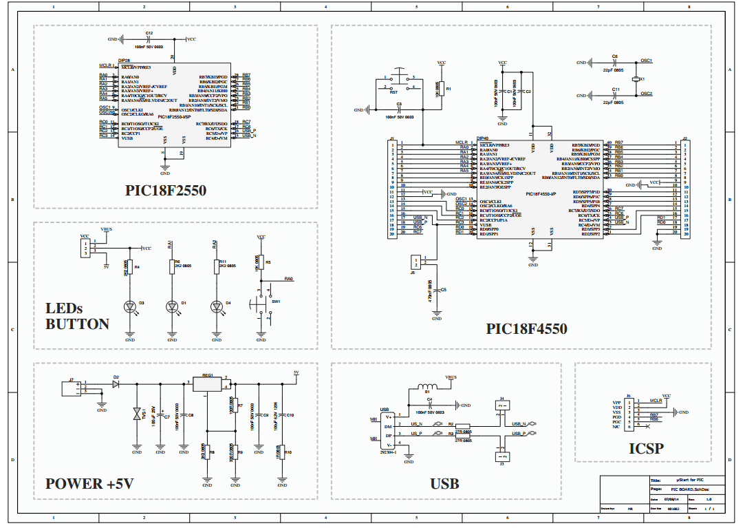
O hardware da μStart for PIC é baseado no Microchip PIC18F4550, um microcontrolador de 40 pinos com encapsulamento DIP e com periférico USB integrado. A figura 1 exibe o esquema elétrico completo dessa placa:
Como se pode observar na figura 1, também há a possibilidade de utilizar o PIC18F2550 como microcontrolador alvo da placa, porém este microcontrolador possui apenas 28 pinos.
Os pinos do microcontrolador são acessíveis através de barras de conectores header na lateral da placa. Também há a possibilidade de adquirir a placa com barra de pinos para utilização da mesma em uma matriz de contatos (protoboard). A figura 2 exibe estes conectores:
A placa possui um cristal oscilador externo de 20 MHz, que vem montado em um soquete, onde pode ser trocado caso houver necessidade, ou queira testar outras frequências.
Estão disponíveis duas teclas do tipo push button, sendo uma para reset do microcontrolador e outra para utilização do usuário. A figura 3 exibe estas teclas:
Há na placa 3 leds, sendo um de indicação de alimentação e outros 2 para uso geral que estão ligados nos pinos RA1 e RA2 do microcontrolador. A figura 4 exibe a posição dos leds na placa:
A interface USB entre o microcontrolador e o PC é feita diretamente não necessitando de circuito externo, já que o PIC18FX550 possui suporte para este tipo de comunicação. Outra vantagem de se utilizar a USB é a possibilidade de alimentação do circuito através do mesmo conector.
É possível também alimentar a placa através de uma fonte externa de 6V a 15V. A seleção de qual fonte de alimentação será utilizada pelo circuito é feita através do jumper VCC. A figura 5 exibe os conectores USB, P4 e os jumpers BTLDR que podem ser removidos caso queira usar o pinos da comunicação USB como pino de I/O:
Conforme exibido no esquemático da figura 1, também está disponível no circuito um conector ICSP, que pode ser utilizado tanto para gravação ou Debug por ferramentas externas, como por exemplo, o PICkit 3 da Microchip. A figura 6 exibe o conector ICSP:
Figura 6 – Conector ICSP
Bootloader
Para facilitar a programação, não necessitando de um programador externo para esta função, a μStart for PIC possui um programa bootloader para carregar o arquivo executável no microcontrolador. Quando o bootloader é ativado ele carrega o programa .hex na memória do microcontrolador através da interface USB.
Para facilitar esse processo, foi desenvolvida pelo Tiago Henrique do blog Microcontrolandos, o bootloader e uma interface gráfica para facilitar esse processo. O código fonte para o bootloader foi detalhado em seu blog, junto com uma ótima explicação sobre o processo de bootloader nos microcontroladores PIC. A figura 7 exibe essa interface que está disponível para ambiente Windows.
Programação
Para criação de projetos pode-se utilizar diversas IDEs e compiladores, como por exemplo o MPLAB X com o XC8, MikroC for PIC, CCS C compiler, entre outros. Depois de compilado e gerado o arquivo .hex, basta carregar o mesmo utilizando a ferramenta de bootloader apresentada.
Iremos utilizar essa plataforma para artigos futuros, com diversos exemplos e sempre abordando um dos compiladores e IDEs mencionados.
Aquisição da placa
A μStart for PIC foi cedida pelo Marcos Ribeiro para nossa avaliação e pode ser adquirida diretamente com ele através do link.
Obs: Apenas fizemos o review da placa para o site Embarcados. Não temos qualquer envolvimento com a venda do produto, sendo que o contato deve ser feito diretamente com o desenvolvedor/vendedor.
Arquivos para download
O esquema elétrico, programa para gravação, programa para o PIC e mais informações sobre a μStart for PIC estão disponíveis para download.
Aprenda mais
Confira os artigos já publicados sobre os microcontroladores PIC:
Configuration Bits do Microchip PIC16F877A
Microchip – Microcontroladores de 8 bits
Curso microcontroladores PIC16F






boa tarde. hoje estava olhando este post, mas não consigo achar os links para download.
Essa placa assim como o arduino fornece 5v?
Isso, ela trabalha com 5V
Obrigado, Fábio você conhece AFSMART Modelo 18F4550?
Não conheço
Gostaria de baixar os arquivos, mas recebo a mensagem: “Você não tem permissão para acessar este arquivo!”
Consigo usar outro pic18f4550 nessa placa ?
O link para download do bootloader esta off? Não consigo baixa-lo
Oi,
Tentei compilar o bootloader sugerido e tive msg de erro. Há alguma biblioteca além da flash e USB que ativei no MikroC ?
Grato pela ajuda
Qual mensagem?
Abraços
0 360 Unresolved extern ‘USB_Init_Desc’ __Lib_USB_genHID.c
Olá! Qual a placa indicada para microprocessadores de 32 bits?
Se você pretende usar a Arquitetura ARM eu recomendo as placas FRDM da NXP ou alguma STM32 Discovery da ST.
Olá, tudo bem? Os arquivos para Download ainda estão disponíveis? Não consigo baixá-los!
Olá Luana, Realmente o link estava com problema. Já foi arrumado. Muito obrigado por avisar.